Форум: Всё о звуке. Обсуждения Hi-Fi и Hi-End компонентов, АС, кабелей и др. аксессуаров.
-
studio
Добро пожаловать в тему любителей музыки и качественного звука. Желающих поговорить о природе, погоде, политике, ЧС и т.д. просьба писать в темах; "Курилка" или "Это интересно". Спасибо за понимание.
Опубликовано: 12 августа 2020 в 16:00:31
-
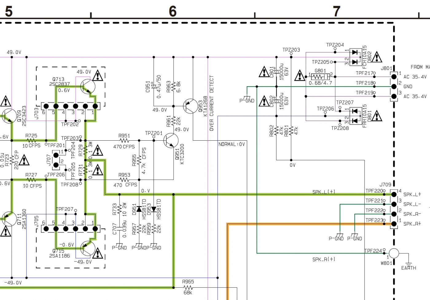
Евгений, в расчет берем напряжение ~220 В, а эти приведенные пиковые значения выходных токов указаны для других напряжений. В моем усилителе на усилитель мощности подается напряжение 49 В (после выпрямления и фильтра), а пиковое значение выходного тока достигает 30 А (1470 Wt!), и это при потребляемой от сети всего 230 Wt. Тут играет роль сам трансформатор, его вторичная обмотка, сколько она способна отдать в нагрузку тока при его пике. Посмотрите, каким проводом выполнена подводка до диодного моста, 0.75 мм. кв. как правило, но этого вполне достаточно для переменного напряжения 35.4 В, в моем случае, до него самого.
Опубликовано: 17 января 2023 в 19:07:20
Klipsch RF-62 II, Marantz PM-KI Pearl Lite, AudioLab 8200DQ, Denon DCD 1550AR, Victor QL-Y7, PC (USB-AD, POWER-USB). Tchernov Special AC Power, Tchernov Classic MS AC Power, Tchernov Cable Classic MkIII IC, Tchernov Cable Classic Mk II SC Sp/Sp. -

Опубликовано: 17 января 2023 в 21:04:26
-
Дружеский шарм...))

Опубликовано: 17 января 2023 в 21:07:53
Klipsch RF-62 II, Marantz PM-KI Pearl Lite, AudioLab 8200DQ, Denon DCD 1550AR, Victor QL-Y7, PC (USB-AD, POWER-USB). Tchernov Special AC Power, Tchernov Classic MS AC Power, Tchernov Cable Classic MkIII IC, Tchernov Cable Classic Mk II SC Sp/Sp. -
А вот тут, уже после всех этих дел, да и в самом выпрямителе тоже, Кен Ишивата рекомендовал дублировать дорожки печатной платы, как у питающих, так и сигнальных. Для этого и был приобретен моножильный провод Neotech UP-OCC PTFE...
Опубликовано: 17 января 2023 в 21:12:51
Klipsch RF-62 II, Marantz PM-KI Pearl Lite, AudioLab 8200DQ, Denon DCD 1550AR, Victor QL-Y7, PC (USB-AD, POWER-USB). Tchernov Special AC Power, Tchernov Classic MS AC Power, Tchernov Cable Classic MkIII IC, Tchernov Cable Classic Mk II SC Sp/Sp. -
Maverick0165
А вот тут, уже после всех этих дел, да и в самом выпрямителе тоже, Кен Ишивата рекомендовал дублировать дорожки печатной платы, как у питающих, так и сигнальных. Для этого и был приобретен моножильный провод Neotech UP-OCC PTFE..
-
В вашем случаи это не поможет. Конденсаторы фильтра слишком слабенькие, просто никакущие.
Опубликовано: 17 января 2023 в 21:21:36
-
Игорь
Ну,дублировать дорожки-старая забава, и на плате фильтра акустики то же *рекомендуют*,или просто залить оловом,у меня так фильтр в Фише весь был залит.
Опубликовано: 17 января 2023 в 21:37:13
-
Gelios
В вашем случаи это не поможет. Конденсаторы фильтра слишком слабенькие, просто никакущие.
__________________________________________
Осторожнее с никакущими заявлениями, не видя внутренности усилителя, они Вам точно не помогут... В поздних годах выпуска всегда существуют доработки, основанные на недостатках в ранних версиях. Или думаете, что умнее Кен Ишивата? Да Вам как до Китая...зигзагом, да на карачках задом - наперед. Прекращайте, Breeze, строить из себя "Гуру"...
Опубликовано: 17 января 2023 в 21:47:11
Klipsch RF-62 II, Marantz PM-KI Pearl Lite, AudioLab 8200DQ, Denon DCD 1550AR, Victor QL-Y7, PC (USB-AD, POWER-USB). Tchernov Special AC Power, Tchernov Classic MS AC Power, Tchernov Cable Classic MkIII IC, Tchernov Cable Classic Mk II SC Sp/Sp. -
Евгений, если честно, то самый лучший вариант на плате фильтра обойтись вообще без дорожек. Проводить монтаж элементов фильтра с прямым контактом между ними - на выводах. Буду переделывать, именно так и соберу новые фильтры. Ну, а если такой вариант будет невозможен, то опять же... Neotech UP-OCC PTFE, сечением он у меня разным был куплен. Олово не самый лучший вариант, тоже лучше дублировать проводом... от точки до точки.
Опубликовано: 17 января 2023 в 21:52:48
Klipsch RF-62 II, Marantz PM-KI Pearl Lite, AudioLab 8200DQ, Denon DCD 1550AR, Victor QL-Y7, PC (USB-AD, POWER-USB). Tchernov Special AC Power, Tchernov Classic MS AC Power, Tchernov Cable Classic MkIII IC, Tchernov Cable Classic Mk II SC Sp/Sp. -
Maverick0165
Осторожнее с никакущими заявлениями, не видя внутренности усилителя,
-
У вас же он указан - Marantz PM-KI Pearl Lite
Maverick0165
Или думаете, что умнее Кен Ишивата?
-
Он был не только инженер, но и маркетолог. Так что он руководствовался исключительно бюджетом.
Опубликовано: 17 января 2023 в 21:55:55
-
Gelios
Он был не только инженер, но и маркетолог. Так что он руководствовался исключительно бюджетом.
________________________________________________________________
Да что Вы знаете о НЁМ? Он был прежде всего МУЗЫКАНТОМ, а потом инженером... Но, к Вашему завышенному самомнению и абсолютному не знанию, придавал, к тому же, весьма большое внимание бюджетной линейке, беря за основу наработки в более дорогих.
Опубликовано: 17 января 2023 в 22:03:25
Klipsch RF-62 II, Marantz PM-KI Pearl Lite, AudioLab 8200DQ, Denon DCD 1550AR, Victor QL-Y7, PC (USB-AD, POWER-USB). Tchernov Special AC Power, Tchernov Classic MS AC Power, Tchernov Cable Classic MkIII IC, Tchernov Cable Classic Mk II SC Sp/Sp. -
Maverick0165
Да что Вы знаете о НЁМ? Он был прежде всего МУЗЫКАНТОМ, а потом инженером...
-
Даже Кен Ишивата не сделает вам усилитель класса Hi-End в котором заложен бюджет для низкобюджетного хай-фай.
Каждый производить должен получить как минимум в 20 раз больше чем было вложено. Это минимум.
Опубликовано: 17 января 2023 в 22:20:04
-
Maverick0165
Но, к Вашему завышенному самомнению и абсолютному не знанию, придавал, к тому же, весьма большое внимание бюджетной линейке, беря за основу наработки в более дорогих.
-
Ваша наивная инфантильность не знает границ.
Опубликовано: 17 января 2023 в 22:28:40
-
Gelios, или что Вы там... Я сильно сомневаюсь, что когда то слышали аппараты Hi-End, а тем более мой усилитель. Все Ваши рассуждения основаны только на предположениях и завышенной самооценке, не более. Наивно полагать, что они вообще кому то интересны, а вот придираясь к форумчанам, пытаетесь доказать свою значимость, но подчеркиваете этим лишь свою инфантильность... Nickname свой смените, не смешите людей. Вам далеко до Бога Солнца, как до луны, обозначенным выше мной способом.
Опубликовано: 18 января 2023 в 10:33:14
Klipsch RF-62 II, Marantz PM-KI Pearl Lite, AudioLab 8200DQ, Denon DCD 1550AR, Victor QL-Y7, PC (USB-AD, POWER-USB). Tchernov Special AC Power, Tchernov Classic MS AC Power, Tchernov Cable Classic MkIII IC, Tchernov Cable Classic Mk II SC Sp/Sp. -
Кто нибудь пробовал припой KESTER продают 4т метр но можно и см ?
Опубликовано: 18 января 2023 в 10:57:49
-
Maverick0165
Hi-End, а тем более мой усилитель.
-
Так вы же сказали что у вас не Hi-End. Передумали?
Maverick0165
Вам далеко до Бога Солнца, как до луны, обозначенным выше мной способом.
-
Ходок сказал что это гейский ник. Вы уж определитесь там, а то от злобы у вас язык заплетается.
Опубликовано: 18 января 2023 в 11:49:09
-
Николай, а какой именно KESTER, с серебром - трубчатый припой KESTER 275 58 Sn96.5Ag3Cu0.5? Это без свинцовый, заменен он на медь... Подобным распаян мой усилитель, приводил screenshot спецификации на схеме усилителя. По звуку такие припои с Cu, мягкие, но благодаря Ag обладают хорошей детальностью, как в общем то и характеризуется звучание этого усилителя.
Опубликовано: 18 января 2023 в 12:26:30
Klipsch RF-62 II, Marantz PM-KI Pearl Lite, AudioLab 8200DQ, Denon DCD 1550AR, Victor QL-Y7, PC (USB-AD, POWER-USB). Tchernov Special AC Power, Tchernov Classic MS AC Power, Tchernov Cable Classic MkIII IC, Tchernov Cable Classic Mk II SC Sp/Sp. -
Без серебра.гляньте на авито я не просто так спросил позже расскажу
Опубликовано: 18 января 2023 в 12:45:24
-
Maverick0165
Подобным распаян мой усилитель, приводил screenshot спецификации на схеме усилителя. По звуку такие припои с Cu, мягкие, но благодаря Ag обладают хорошей детальностью, как в общем то и характеризуется звучание этого усилителя.
-
Скорее мутные, а серебро в припои еще и перекос дает тонального баланса.
Опубликовано: 18 января 2023 в 16:44:05
-
Игорь
Вот не лень вам-вы на каждую собаку,что на вас лает,то же в ответ лаете?!!Это при разглядывании кишков Изол-8 Аксис ляпнуло,что варисторов мало,надо штук 20?Потом, при упоминании Белкин 30-да у вас там 20 варисторов,там и одного много-я вот честно поржал,пошёл перекурить,чтобы не сорваться и не устроить тут разбор.На Сундуке нарисовался очередной непризнанный гений,Россия вообще на этих клоунов и бакланов богата,пойти врезать ему?-а то тут чего-то скучновато.
Опубликовано: 18 января 2023 в 18:10:23
-
hodok68
Куда вам столько варисторов? У вас и так уши погорели.
Опубликовано: 18 января 2023 в 19:50:54
-
Jeffrey
сейчас да - только эти. Не так давно были и простые чёрного цвета без крышек. И не знаю как у этих крепится кабель. У моих - в точности как на Furutech FI-E30 (G, R, NCF).
-
Типа такого крепления? Или там много вариантов? РСЕ без крышек я не нашел.
Опубликовано: 19 января 2023 в 01:31:47
-
АВТОРИЗУЙТЕСЬ
для того чтобы начать/продолжить обсуждение на форуме